
走心機是一種先進的機床設備,它通過主軸的旋轉移動協同刀具的上下左右精準運動開展零件加工,并且支持多次送料,常借助中心導套確保加工的高精度。其結構上雙軸排布刀具,極大地削減了加工循環時長以及刀具交換用時,擁有多重刀具臺重疊等卓越功能,還配備有自動送料裝置,達成單臺機床全自動化生產模式。憑借這樣的工作原理與結構特性,走心機在精密加工領域占據重要地位,高效地為航空航天、醫療器械等眾多行業打造高品質零部件,有力推動了制造業向更高精尖方向邁進。
其中,走心機在醫療器械加工中有著廣泛的應用,牙釘、骨釘、刀桿等等
| 骨釘 | 牙釘 |
![]() |
![]() |
| 螺桿 | 牙科材料 |
![]() |
![]() |
| 樣品展示 | |
![]() |
|
針對醫療器械領域,我們的熱銷型號G205E能滿足大部分的加工需求。

| 描述 | 單位 | G205E 走心機 | |
| 主軸 | 單次送料行程 (主軸) | mm | 80(選配:120/140) |
| 最高工作轉速 (主軸/副主軸) | rpm | 8000 | |
| 最大回轉直徑 (主軸/副主軸) | mm | ¢20 | |
| 最小分度數 (主軸/副主軸) | ° | 無極 | |
| 主軸孔徑 (主軸/副主軸) | mm | ¢22 | |
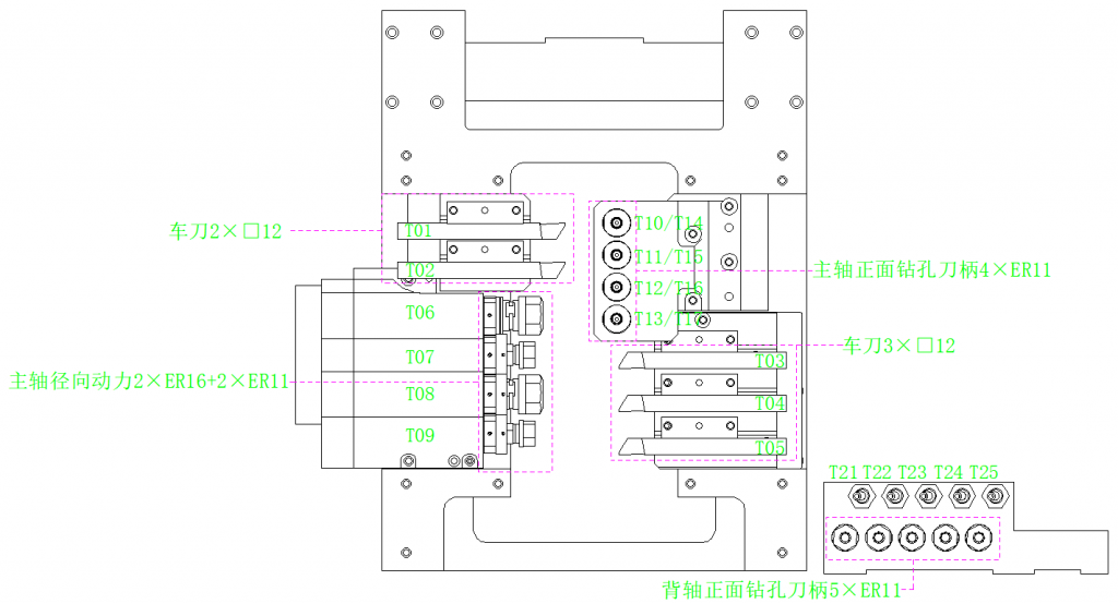
| 刀具 | 主軸排刀數量: | ea | 5(T01/T02/T03/T04/T05) |
| 排刀刀柄參數 | mm | 12×12 | |
| 主軸固定軸向刀具數量 (正面) | ER | 4*ER11(T10/T14)(T11/T15)(T12/T16)(T13/T17) | |
| 最大鉆孔直徑 (正面) | mm | ¢8 | |
| 最大攻絲直徑 (正面) | mm | M6 | |
| 主軸徑向動力刀具數量(正面) | ER | 2×ER11+2×ER16(T07/T09+T06/T08) | |
| 主軸徑向動力刀具最高轉速(正面) | rpm | 5000 | |
| 主軸徑向最大鉆孔直徑 (正面) | mm | ¢8 | |
| 主軸徑向最大攻絲直徑 (正面) | mm | M6 | |
| 主軸徑向最大鋸片銑刀直徑 (正面) | mm | 30 | |
| 背軸軸向固定刀具數量 (背面) | ER | 5×ER11(T21/T22/T23/T24/T25) | |
| 背軸最大鉆孔直徑 (背面) | mm | ¢8 | |
| 背軸最大攻絲直徑 (背面) | mm | M6 | |
| 電機 | 主軸/副軸電機 | KW | 3.7/2.2 |
| 主軸徑向動力刀具電機 (正面) | KW | 1 | |
| 伺服軸電機 | KW | (X1 、Z1 、Y1 、X2 、 Z2):?1; | |
| 潤滑泵電機 | KW | 0.1 | |
| 冷卻泵電機 | KW | 0.35 | |
| 快速進給速度 | m/min | 25 | |
| 其它 | 冷卻箱容量 | L | 130 |
| 潤滑裝置容量 | L | 3 | |
| 中心高度 | mm | 1050 | |
| 外形尺寸 (長× 寬× 高) | mm | 2100×1100×1800 | |
| 機床重量 | KG | 2680 | |
| 機床功率 | KW | 12.5 | |
| CNC?控制系統 | 標準 | 新代 220TB | |
針對不同的產品,我們也會根據實際加工要求推薦其他型號或提供定制服務。如果您也有類似的醫療器械生產需求,歡迎發送圖紙咨詢,我們會給您提供專業的建議與方案!詳情請聯系contact@antsmachine.com









獲取所需的產品報價
給出詳細的要求有助于獲得更匹配的定制解決方案。 謝謝您的耐心。 我們將在 1 小時內回復您,請注意查收您的電子郵件。